Новатек-Електро
Розробка і виробництво пристроїв захисту і автоматики. Гарантія 5 років. Продукція постійно в наявності на складі або виробляється в найкоротші терміни.
Додаткова інформація
| Бренд | Novatek |
|---|
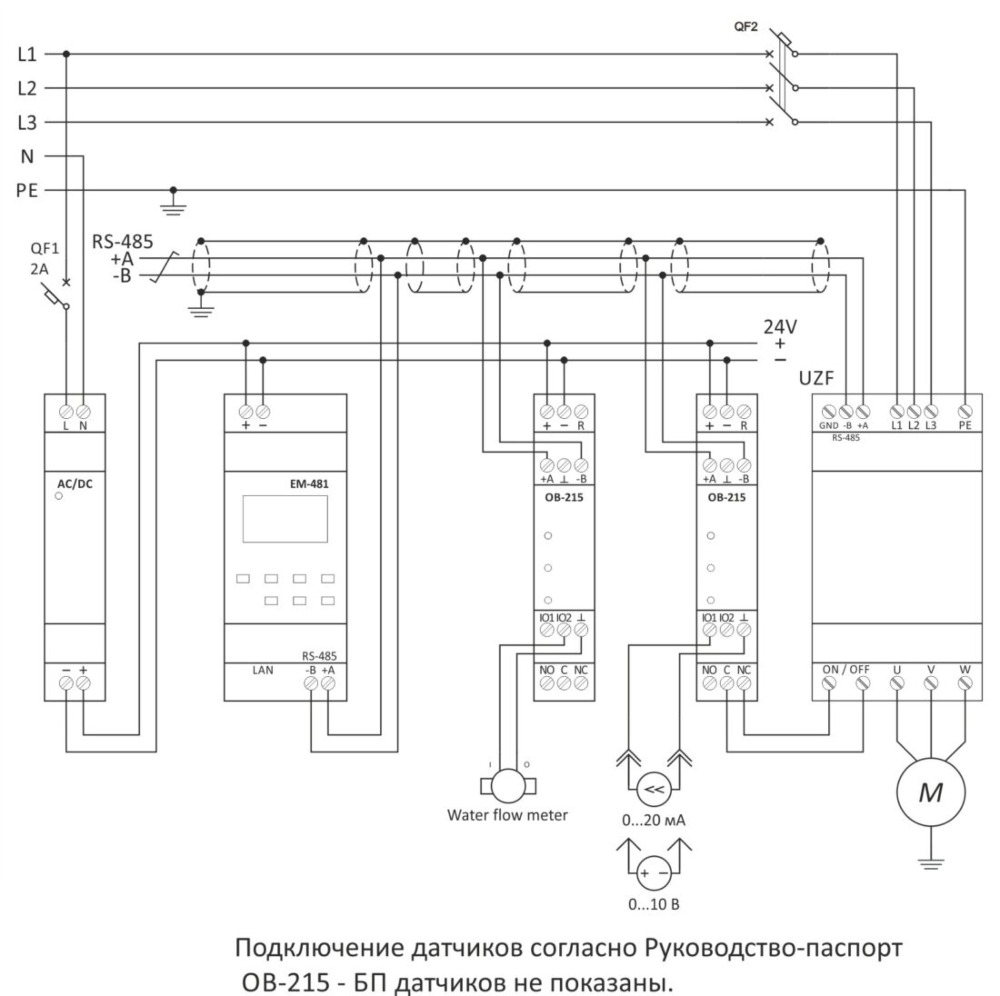
Пропонуємо Вашій увазі комплект приладів, за допомогою якого можна швидко і просто створити цілодобовий контроль за станом насоса свердловини. Інтерфейс контролю завжди під рукою за допомогою сервісу overvis.com. Всі важливі точки контролю та керування вже враховані у мінімальному комплекті обладнання і мають зрозумілий web інтерфейс.
У разі необхідності є можливість індивідуально налаштувати web-інтерфейс та додати канали інформації за допомогою модулів вводу/виводу або інших Modbus приладів, таких, як перетворювачі частоти, блоки захисту та керування насосами або насосними станціями.
Комплектність:
Простота підключення:


| Найменування | Значення |
|---|---|
| Тип: |
комплект обладнання |