Новатек-Електро
Розробка і виробництво пристроїв захисту і автоматики. Гарантія 5 років. Продукція постійно в наявності на складі або виробляється в найкоротші терміни.
More Information
| Корпус | 2 DIN (36 мм) |
|---|---|
| Номінальна напруга живлення,В | 230/400 AC (фазна/лінійна) |
| Макс. струм | визначається контактором / 5 А |
| Види захистів | Обрив фази, Симетрія фаз, Чергування фаз, Злипання фаз |
| Спосіб керування | Ручки (регулятори) |
| Індикація | Індикатори |
RNPP-316-500 призначене:
для вимірювання діючого значення (TRMS) лінійної напруги трифазної мережі
RNPP-316-500 здійснює контроль нуля непрямим методом.
У виробі передбачені можливості регулювання параметрів (порогу спрацьовування за напругою із роздільними регулюваннями уставок по мінімальній/максимальній напрузі, часу АПВ та часу затримки спрацьовування захисту). Після відновлення параметрів напруги мережі виріб знову вмикає навантаження через час АПВ.
Виріб на виході має дві групи незалежних вихідних перекидних контактів (1-2-3, 4-5-6). В «ХОЛОДНОМУ СТАНІ» (виріб без напруги, не підключений) контакти 1-2 (4-5) замкнені, а контакти 2-3 (5-6) розімкнені.
Коли реле навантаження спрацьовує, вимкнення навантаження відбувається шляхом розриву ланцюга живлення котушки МП через контакти 2-3 (5-6).
Переваги:
Сфера застосування:
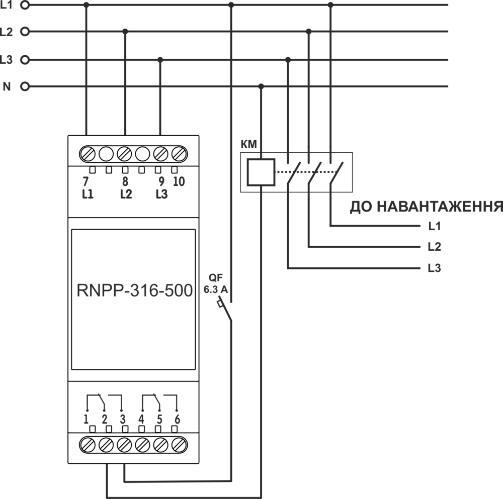
Схема підключення:
