Для включення і виключення пристроїв за розкладом, застосовуються добові і тижневі таймери.
Для включення вуличного освітлення тільки в нічний час, можна використовувати астрономічний таймер.
Прості таймери використовують просто для включення обладнання через певні інтервали часу.
А якщо скласти всі ці функції в одному пристрої, то вийде програмований багатофункціональний таймер REV-303.
Короткі характеристики
__________
|
Напруга живлення |
~24…265В, ± 8… 24В |
|
Кількість каналів управління |
1 |
|
Екран |
Монохромний графічний 1” |
|
Кількість програм |
2 |
|
Кількість подій (кроків) програм |
500 |
|
Режими работи |
Недільний |
|
Суточний |
|
|
Астрономічний |
|
|
Простий |
|
|
Реле |
~250В/16А |
|
Габаритні размері |
100х36х67 мм |
|
Кріплення |
DIN-рейка |
Сфера використання
__________
REV-303 поєднує в собі тижневий, добовий, простий і астрономічний таймер і може застосовуватися там, де традиційно використовуються зазначені пристрої.
У промисловості і комунальному господарстві REV-303 знайде застосування для включення пристроїв і механізмів в заданий час (насоси, вентиляція і т.д.), подачі дзвінків на урок в школах, управління ролетами і для інших цілей, де в певний час треба щось то включити, вимкнути, закрити або відкрити.
Працюючи в режимі астрономічного реле, REV-303 може включати вуличне освітлення і підсвічувати будівлі, реклами і банера в темний час доби.
У сільському господарстві за допомогою добового реле організовують полив земель, роздачу кормів на фермах.
У побуті таймер REV-303 застосовується для тих же цілей: управління освітленням, полив дачі, городу і т. д.
Несподіване застосування для тижневих реле часу знайшлося в офісах, справа в тому, що в невеликих компаніях інтернет часто йде через WiFi-роутери і ADSL-модеми, які регулярно “підвисають” в тому числі і з вини їх імпульсних блоків живлення.
Найчастіше з цим боряться тим, що перший прийшов на роботу виймає на кілька секунд блок живлення маршрутизатора з розетки, але тут постійно відбуваються накладки: хтось забув, хтось не знає, а то раптом шеф прийде раніше за всіх і особисто лазить під стіл щось відключати.
Найгірше, коли віддалений доступ до сервера необхідний на вихідних, а інтернет підвис, тоді доводиться спеціально їхати в офіс.
Найкраще уникати таких проблем і через тижневе реле відключати живлення маршрутизаторів в нічний час, скажімо з 22:00 до 6:00.
REV-303 буде корисний для домашніх акваріумів, він забезпечить включення за розкладом компресора для створення протоки води і подачі CO2.
Велика частина акваріумної флори і фауни є з тропіків, а там тривалість світлового дня досить стабільна і дорівнює приблизно 12 годинам, тому підсвічування необхідна не стільки для краси, скільки для створення правильного режиму дня акваріумних мешканців, для цієї мети теж прекрасно підійде REV-303 в тому числі і завдяки можливості визначення темного часу доби в даному місці в даний час року.
Якщо вам не треба управляти світлом вуличних ліхтарів, немає дачі, живете ви не в приватному будинку, а в міській квартирі без акваріума, то і тут REV-303 може стати в нагоді.
Наприклад, через нього можна підключити розетку, запрограмувати її на відключення у будні і в робочий час і, нарешті, перестати турбуватися про те, чи вимкнена праска, поки ви на роботі.
Ну а я на новорічні свята таким чином включав Діда Мороза.

REV-303 як альтернатива фотореле
__________
Для включення вуличного освітлення в темний час доби зазвичай використовуються фотореле, які за допомогою сенсора визначають настання темряви, в якості альтернативи, для тих же цілей можна використовувати астрономічне реле.
Так як час сходу і заходу сонця протягом року відбувається в різний час, використовувати для включення вуличного освітлення звичайне добове або тижневе реле можна.
У той же час REV-303, включає в себе функції астрономічного таймера, може визначати час сходу і заходу сонця в залежності від поточної дати і географічних координат, все, що для цього треба-ввести в прилад координати і програму роботи в режимі астрономічного таймера.
Поточні географічні координати найпростіше можна визначити за допомогою безкоштовних додатків на смартфоні.
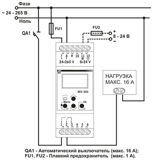
Конструкція
__________

У верхній частині розташовані клеми підключення живлення приладу, а зліва клеми підключення мережі змінного струму 24 … 265В, праворуч-постійного струму 8 … 24В.
У нижній частині корпусу розташовані клеми реле для підключення навантаження.
Екран монохромний, з діагоналлю 1 ” і дозволом 128×64 точок.
Незважаючи на невеликий розмір екрану, текст на ньому читається добре завдяки яскравості і контрастності синіх букв на чорному тлі.

Під екраном розташовані кнопки для переміщення по меню і введення параметрів, навігація по меню за допомогою кнопок інтуїтивно зрозуміла і не викликає труднощів навіть без читання інструкції.
Поруч з кнопками розташований світлодіод, це індикація стану реле, коли горить червоним – реле замкнуто.
Корпус призначений для кріплення на DIN-рейку.

Ззаду корпусу є наклейка з деякими характеристиками приладу.

Розберемо прилад і заглянемо всередину.


Є дві плати: силова і управління.
На силовий платі розташовано реле OMRON ~ 250V / 16A для управління навантаженням.
На платі управління розташований дисплей, кнопки і сучасний мікропроцесор STM32F071CBT6 з архітектурою ARM.

Так само на платі управління встановлена стандартна “комп’ютерна” батарейка CR2032, яка підтримує роботу годин при відключенні живлення приладу, заявлений резерв ходу годинника від однієї батарейкі- 6 років.
Робота таймера REV-303
__________
- Підключення живлення і навантаження.
REV-303 підключити або до мережі змінного струму 24 … 265 В, або до мережі постійного струму 8 … 24 В.

Одночасно підключати прилад до мереж змінного і постійного струму, звичайно не можна, потрібно вибрати щось одне.
Завдяки широкому діапазону живлення від мережі змінного струму, підключити REV-303 можна не тільки до побутової мережі ~ 230 В, але і до низьковольтних електричних мереж.
Наприклад, в металевих гаражах, сирих підвальних приміщеннях і в інших місцях, де використання мережі ~ 230 В. заборонено технікою безпеки.
- Режими роботи.
REV-303 може працювати в режимі тижневого, добового, астрономічного або простого таймера.
При використанні в будь-якому режимі, можна вибрати 2 програми управління, які разом можуть містити до 500 подій (кроків) програми.
Кожна подія програми представляє собою інструкцію, яка складається з дії (включення або виключення реле) і умови виконання цієї дії (час доби з урахуванням дня тижня, час доби без урахування дня тижня, схід сонця, захід сонця, простий часовий інтервал).
Налаштування поточного режиму роботи і введення подій в програму здійснюються через меню.
- Режим астрономічного таймера.
Управління навантаженням за часом сходу і заходу сонця в даній точці земної кулі, у події можна вказувати час зміщення. Наприклад, вмикати освітлення не в момент заходу сонця, а через 35 хвилин після цього.
Приклад роботи в режимі астрономічного таймера.
__________
- Режим тижневого таймера.
Управління навантаженням по настанню часу доби з урахуванням дня тижня. Наприклад, включення навантаження в 9:00 і вимикання його о 21:00 тільки в будні дні (понеділок-п’ятниця).
Приклад роботи в режимі тижневого таймера.
__________
- Режим добового таймера.
Управління навантаженням по настанню часу доби без урахування дня тижня, наприклад, включення навантаження о 6:00 і вимикання його о 23:00 щодня.
Приклад роботи в режимі добового таймера.
- Режим простого таймера.
Управління навантаженням через задані інтервали часу, наприклад, включати на 30 хвилин полив сільськогосподарської ділянки через кожні 4 години.
Приклад роботи в режимі простого таймера.
Фактично, в режимі простого таймера REV-303 працює як реле часу, якщо планується використовувати REV-303 тільки в режимі простого таймера, вигідніше придбати спеціалізовані реле часу REV-201 і REV-201м від компанії “Новатек-Електро”.
Висновки
__________
Як бачимо, програмований таймер REV-303 не дарма називається багатофункціональним.
Завдяки поєднанню в собі функцій чотирьох пристроїв і можливості складати програми в 500 подій, з його допомогою можна реалізувати практично будь-яке завдання з управління навантаженням, де умовами виступатимуть тимчасові інтервали, реальний час або рух сонця.